搜索
首页
简介
简介
人才交流会
办事处设立
宗旨
动态
政策法规
行业标准
病媒科普
病媒生物监测标准
人才交流
企业评定
当前位置:
首页
>
行业标准
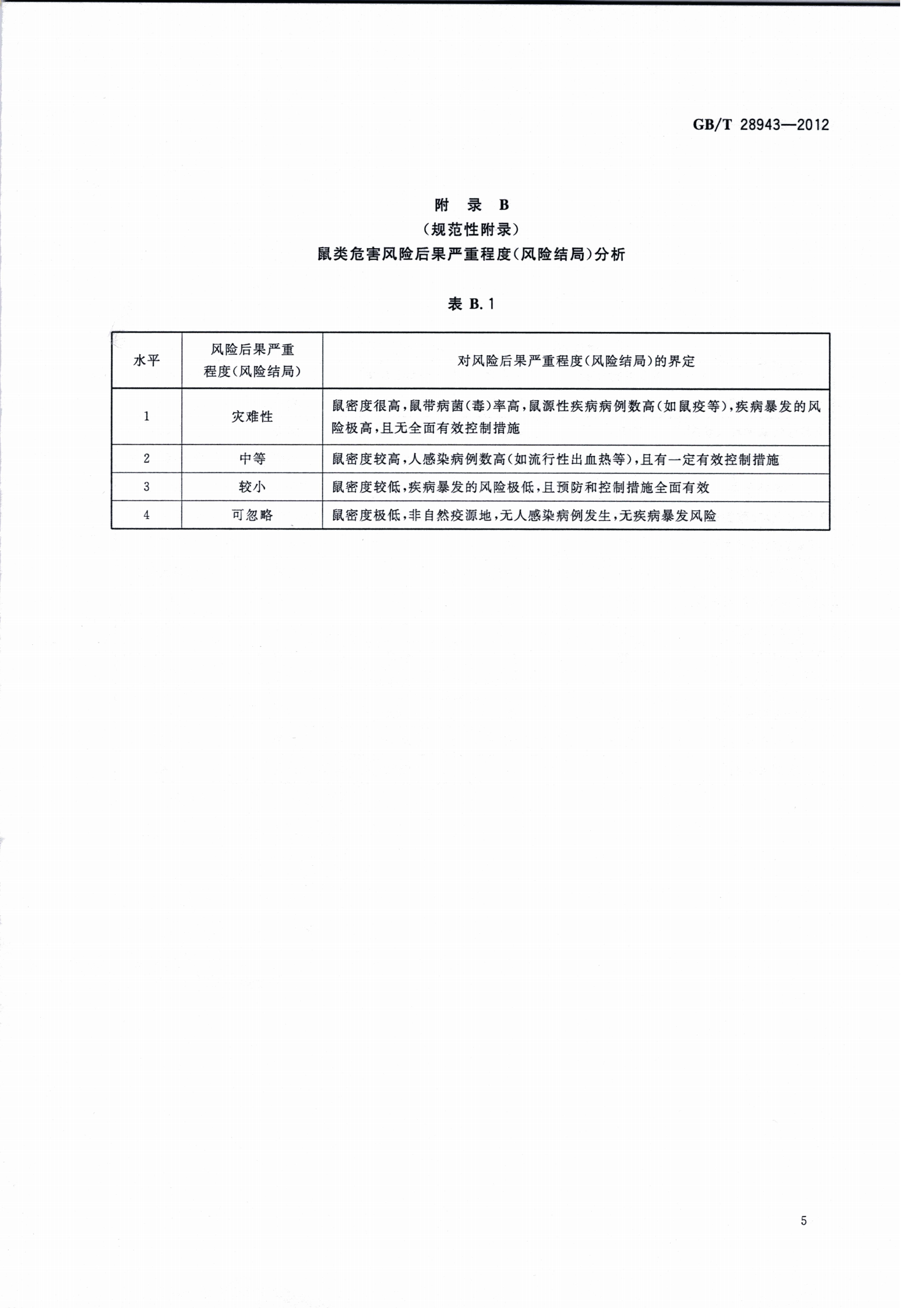
病媒生物危害风险评估原则与指南 鼠类
来源:未知
作者:本站
浏览量:1964
时间:2021-03-03 09:16:53
上一篇:
病媒生物应急监测与控制 水灾
下一篇:
GB_T 27773-2011蜚蠊控制标准